Description
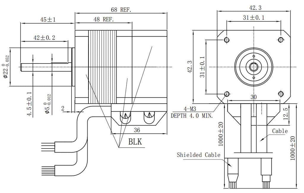
Custom designed high-performance stepper motors to use with Ouroboros Servo Controller for Klipper 3D printers. These NEMA 17 stepper motors feature a 1000 PPR encoder, 45mm long 5mm diameter shaft for 9mm CoreXY setups with double shear and run at 2.5A.
You can find its datasheet here: https://docs.isiks.tech/Ouroboros/Ouroboros-Stepper.pdf


